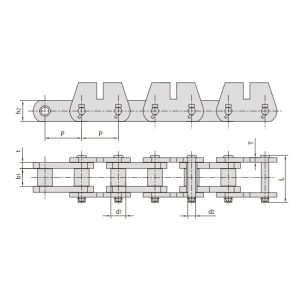
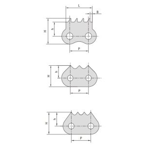
A szállítószalagok nagy tárolókapacitással rendelkeznek, és olyan esetekre alkalmasak, ahol az anyagok folyamatos szállítása szükséges.